Ski resort
Continuous rope monitoring now live at Matterhorn Zermatt Bergbahnen.

An installation in the heart of Matterhorn Paradise.
AIM — the Alliance for Intelligent Rope Monitoring — has deployed a combined inspection system at Matterhorn Zermatt Bergbahnen for prolonged field testing in view of full fixed installation. The system integrates AMC Instruments’ magnetic rope testing technology with Raidyn’s AURA platform for visual and geometrical rope inspection.
The installation was made possible through the collaboration between ski resort operator Matterhorn Zermatt Bergbahnen and rope manufacturer Teufelberger-Redaelli, which is coordinating AIM activities.
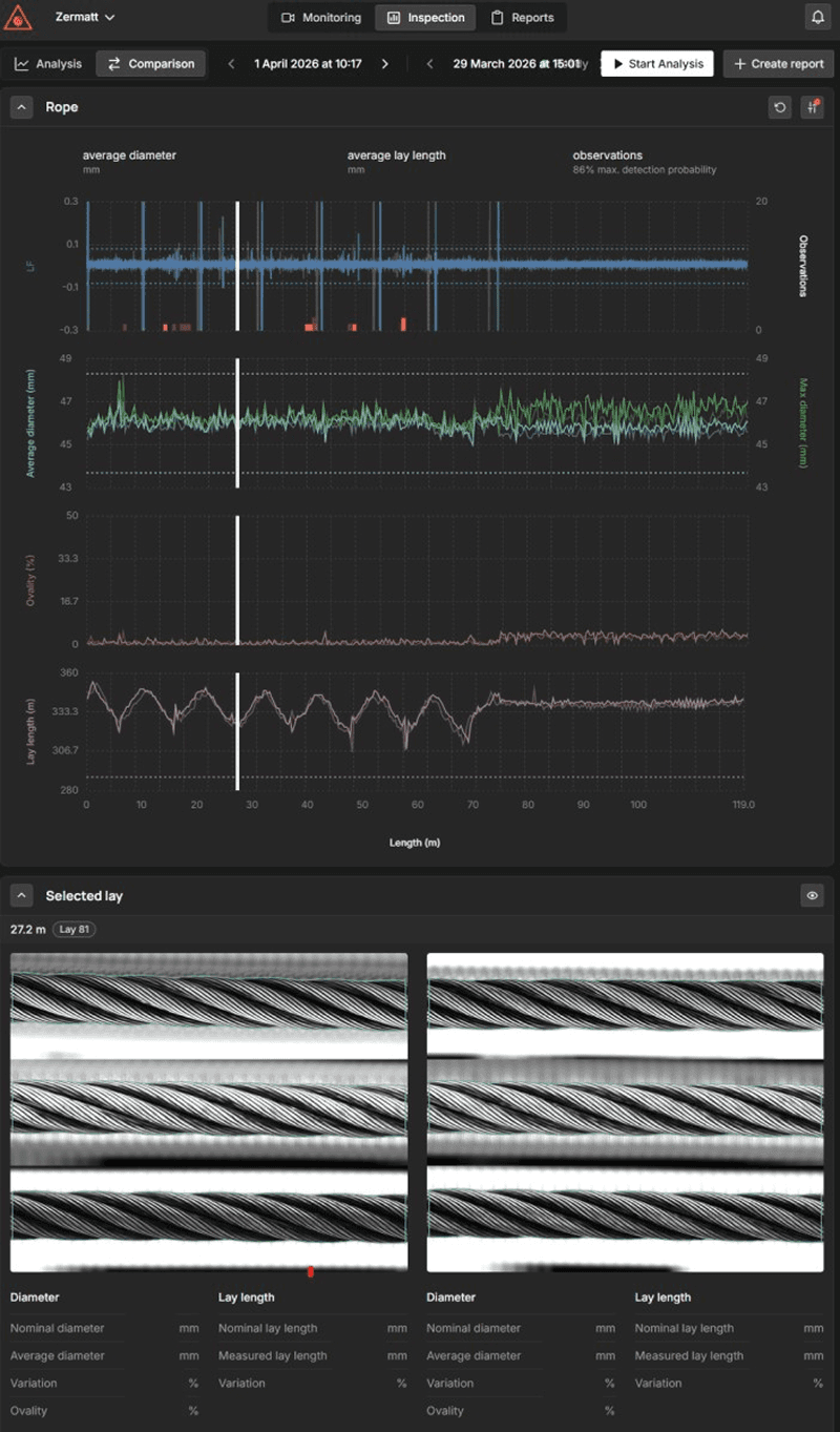
The system was installed at the middle station of a detachable chairlift operating at the nominal speed of 5 m/s and connected directly to the operator’s network. It has now been running continuously for roughly two months. The natural lighting conditions at the site are excellent, enabling very high image quality. Synchronization with the MRT system has been smooth, and the automated reporting functionality is already providing concise summaries of the rope status.
"This system has the potential to make us save a lot of time"
Fabian Imboden, Bereichsleiter - Matterhorn-Zermatt Bergbahnen
A key aspect of the installation lies in the practicality of the installation: the system was mounted during a short intervention window, in the evening after operations and the following morning before reopening. Raidyn’s vision system is also physically integrated with AMC’s MRT unit, enabling a combined inspection workflow in a compact setup.
Operationally, the installation has proven to be highly reliable. The camera background processing performs robustly even with moving chairs, passengers, and other dynamic elements visible in the field of view. At the same time, the AI model accurately isolates the rope and identifies critical points of interest such as the splice.
Following feedback from the operator, Raidyn will further expand the solution after the summer with a dedicated splice analysis module.
"Now we can control the rope status from the comfort of our office"
Fabian Imboden, Bereichsleiter - Matterhorn-Zermatt Bergbahnen


